
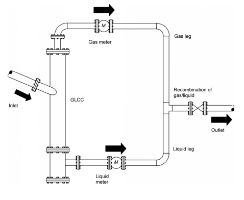
A gas/liquid cylindrical cyclone (GLCC) is a very simple and inexpensive centrifugal separation device. (See Fig. 12) Rough separation is achieved under low- g conditions, the swirl being generated by the sloped tangential inlet. The slope helps keep the level down during small slug occurrence. It is often used for bulk separation in conjunction with well testing as shown. The streams are temporarily separated, measured and analyzed, then recombined. With this arrangement, no level control is necessary because the levels are maintained by hydraulic balance.